- Cart
- |
- Personal Center
- |
O-band SOA nonlinear semiconductor optical amplifier 1310nm 7dBm(5mW)
The PL-SOA-A-A81-W1310-SASA is a polarization insensitive optical amplifier that features advanced epitaxial wafer growth and optoelectronic packaging technology to achieve high output saturated power, low noise figure, and large gain over a wide spectral bandwidth.
Product features:Broadband light、 High output power、 Low polarization sensitivity、 Multiple quantum well or bulk structure
Part Number:--
Application area:booster optical amplifier、telecommunications and data communications、loss compensation
Add to Cart Consult Favorite
Electrical/Optical Characteristics (Tsub=25 °C, CW):
Parameter | Symbol | PL-SOA-A-A81-W1310-SASA | ||
Min. | Typ. | Max. | ||
Operating Current | IOP | - | 120 mA | 150 mA |
Forward Voltage | VF | - | 1.2V | 2.0V |
Center Wavelength | λC | 1300nm | 1310nm | 1320nm |
Signal Gain (@ Pin = -20 dBm) | G | 15dB | - | - |
3dB Bandwidth | BW | 40nm | - | - |
ASE Ripple (RMS) | δG | - | - | 0.5dB |
Saturated Output Power (@ -3 dB) | PSAT | 7dBm | - | - |
Polarization Dependent Gain | PDG | - | - | 1.5dB |
Noise Figure | NF | - | - | 7dB |
Thermistor (@ 25℃) | RTH | 9.5KΩ | 10KΩ | 10.5KΩ |
TEC Voltage | VTEC | 2.3V | ||
TEC Current | ITEC | 0.9A | ||
Maximum parameter:
Parameter | Symbol | PL-SOA-A-A81-W1310-SASA | |
Min. | Max. | ||
Maximum operating current (CW) | IOP max | 200mA | |
Reverse voltage | VR | 2V | |
Chip operating temperature (CW) | TSOA | 25℃ | 30℃ |
Case temperature (CW) | TC | 0℃ | 70℃ |
TEC voltage | VTEC | - | 4.0V |
TEC current | ITEC | - | 1.8A |
Storage temperature | TSTG | -40℃ | 85℃ |
Storage humidity | 5%RH | 85%RH | |
ASE spectrum:
SOA amplifier spectrum (Pin=0dBm, I=200mA):

1278 nm (Pin = 0 dBm, I = 200mA)

1294 nm(Pin = 0 dBm, I = 200mA)

1310 nm(Pin = 0 dBm,I = 200mA)

1317 nm (Pin = 0 dBm, I = 200mA)
Gain and NF curves:

Saturated output power curve:
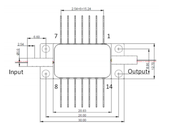
Dimensions and pinouts:



Model Guide:
PL-SOA-☆-A8▽-W□□□□-XX
☆ :Output Power
A: 13dbm
B: 20dbm
▽: Bandwidth
1: 60-70nm
2: 30-40nm
□□□□:Wavelength
680: 680nm
850: 850nm
*****
1550: 1550nm
1650: 1650nm
XX: Fiber and Connector Type
SASA=(SMF-28E+ FC/APC)+(SMF-28E+ FC/APC)
SPSP=(SMF-28E+ FC/PC)+(SMF-28E+ FC/PC)
PAPA=(PM Fiber+ FC/APC)+(PM Fiber+ FC/APC)
PPPP=(PM Fiber+ FC/PC)+(PM Fiber+ FC/PC)
PAPA=(PM Fiber+ FC/APC)+(PM Fiber+ FC/APC)
--
⇪