- Cart
- |
- Personal Center
- |

Swept tunable laser module
The scanning semiconductor laser module of Idealphotonics, Ltd. is an adjustable laser module based on independent intellectual property rights. It has the characteristics of precise wavelength, stable power and fast scanning speed. It is widely used in fiber grating demodulation systems and optical passive device test systems.
Product features:Adjustable wavelength range 1528-1563 nm、 High output power、 Low power consumption、 Wide operating temperature range、 Fast scanning speed、 Simple communication interface、 High wavelength stability
Part Number:--
Application area:
Add to Cart Consult Favorite
Working wavelength Output power

Internal structure of the module

Parameter
PN# | GC-76000C | GC-76001C |
Wavelength range | 1528.8 -1563.8 nm | 1528 - 1568 nm |
Output power | 20 mW | |
Minimum resolution | 0.1 GHz or 1 pm | |
Absolute wavelength accuracy | +/-10 pm Typ < 5 pm | |
Relative wavelength accuracy | +/-5 pm Typ +/- 2 pm | |
Wavelength repeatability | +/-2 pm Typ +/-1 pm | |
Wavelength stability( -5 to +65 ℃) | < +/- 2 pm | |
Scan speed | 1.2 Second for 4000 Points (C-Band) | |
Default scan step | 1 GHz or 0.5 GHz | |
Power stability | +/- 0.05 dB | |
Power vs wavelength flatness | < 0.5 dB | |
Side mode suppression ratio | > 40 dB | |
Relative intensity noise | < -135 dB/Hz | |
Power supply | +3.3 V/3 A | |
linewidth | < 5 MHz, Typ 1 MHz | |
Trigger signal output level | TTL | |
Communication interface | RS232 | |
Communication protocol | OIF-ITLA-MSA-1.2 | |
Dimension | 120mm x 80mm x 32mm | |
Optical interface | FC/UPC or customer defined | |
Temperature range | 0-60 ℃ | |
Spectral analysis test chart

Electrical characteristics:
Signal socket link (3M 155210-5303-RB)

Power socket link (S4B-PH-K-S) (SN)

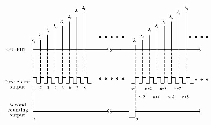
Signal timing diagram

As shown in the figure, when the laser outputs at each wavelength, there is a synchronous rising edge output in the trigger output signal 1, and at the beginning of the first wavelength of each cycle, there is a synchronous rising edge output in the trigger output signal 2. In this way, the receiving end starts the counter at the rising edge of the trigger output signal 2, and counts the number of trigger output signals 1. The wavelength information can be easily obtained based on the starting wavelength and step information, which is convenient and accurate.
--
⇪