- Cart
- |
- Personal Center
- |


1550nm Dual-Output Fiber Coupled Acousto-Optic Device (All-Fiber Acousto-Optic Modulator)
IdealPhotonics all-fiber acousto-optic modulator allows users to change the output light amplitude, duration, and period/frequency. Insertion loss can be as low as 2 dB, extinction ratio can reach up to 50 dB, rise time can be as low as 5 nanoseconds, and periodicity can reach hundreds of MHz. Applications include switching, pulse picking, fast attenuators, etc. The wavelength range spans from near ultraviolet to near infrared. A special application of the modulator is the programmable attenuator. Attenuators are key components in the design of fiber optic transmission systems. They are used to match the optical power level with the dynamic range of the receiver, adjust the input and output levels in EDFA, equalize the power between different DWDM channels, and test the overall system performance under different optical power conditions.
Product features:0th and 1st order optical fiber output、 Polarization-maintaining or single-mode fiber input/output、 High extinction ratio、 Customizable devices based on customer-specific wavelength and frequency requirements
Part Number:--
Application area:BODTR、 DVS、 Optical Switch
Add to Cart Consult Favorite

Parameters
Parameter | unit | Min. | Max. | Typ. | Remark |
Material | TeO2 | ||||
Wavelength | nm | 1520 | 1580 | 1550 | Customizable |
Average Optical Power | W | 0.5 | |||
Ultrasonic Speed | m/s | 4200 | |||
Insertion Loss | dB | 1st order light <2; 0th order light <1.5 | |||
Extinction Ratio | dB | 1st order light > 45; 0th order light > 10 | |||
Return Loss | dB | 40 | |||
Rise Time | ns | 60 | 70 | 65 | |
Frequency | MHz | 80 | Customizable | ||
RF Power | W | 2.5 | 2.5 | ||
Voltage Standing Wave Ratio (VSWR) | 1.2:1 | ||||
Input Impedance | Ω | 50 | |||
Device Interface | SMA | ||||
Fiber Type | SMF-28e/PM1550 | ||||
Fiber Length | m | 1 | |||
Fiber Interface | FC/APC | ||||
Operating Temperature | ℃ | -20~60 | |||
Storage Temperature | ℃ | -30~70 | |||
RF Driver
The product features stable operation, high frequency stability, stable power output, and low power consumption.
Output Frequency(Mhz) | 40、60、80、100、120、150、200 |
Operating Voltage(V) | 24V |
Output Power(W) | 0.1-3 |
Impedance matching(Ω) | 50 |
Control Method | TTL, Sine Wave, Audio |
Interface | SMA |
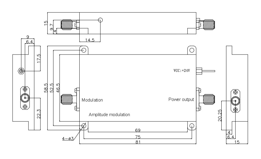
Package Dimensions
AOM Modulator

RF Driver

Ordering info
DP-AOM-△ Bandwidth-○ Working Wavelength-XX
DP: Dual Port AOM
△ Bandwidth:
40: 40MHz
80: 80MHz
100: 100MHz
150: 150MHz
200: 200MHz
○ Working Wavelength (780-1600nm):
0780: 780nm
1064: 1064nm
1550: 1550nm
XX: Fiber and Connector Type
SA = SMF-28E + FC/APC
SP = SMF-28E + FC/PC
PP = PM Fiber + FC/PC
PA = PM Fiber + FC/APC
DP-AOM80-1550-PA
1550nm 80MHz Dual Port Fiber Coupled Acousto-Optic Device
Operating Wavelength: 1550nm
Rise Time: Less than 70ns
Frequency: 80MHz
Insertion Loss: 1st Level Light < 2dB, 0th Level Light < 1.5dB
Extinction Ratio: 1st Level Light > 45dB, 0th Level Light > 10
PM1550 FC/APC
--
⇪