- Cart
- |
- Personal Center
- |

1550nm RF modulated DFB laser 10GHz
1550nm distributed feedback (DFB) lasers provide exceptional performance for linear fiber communications in very wide bandwidth applications. They are an excellent choice for transmitting 10MHz to 18GHz signals using coaxial cable systems. They greatly improve the reliability of microwave communication networks by transmitting RF signals in their original format. Due to these superior characteristics, our laser products provide significantly improved high signal quality for a wide range of applications including antenna remote control, telemetry, timing and reference signal distribution, measurement and delay lines, etc.
Product features:High dynamic range、 10GHZ modulation bandwidth Low threshold current、 High output power、 7-pin butterfly package with SMA connector、 High reliability
Part Number:--
Application area:Remote antennas、 Cellular and PCS networks Military communications、 Tracking, telemetry and control
Add to Cart Consult Favorite
Parameters
Photoelectric parameters (Tc=25°C)
Parameters | Symbol | Min. | Typical | Max. | Unit |
Optical output power | P | 10 | mW | ||
Threshold current | Ith | 5.8 | mA | ||
Operating current | Iop | 55 | 100 | mA | |
Operating voltage | Vop | 1.5 | 2.5 | V | |
Peak wavelength | λ | - | 1550 | - | nm |
Slope efficiency | SE | 0.2 | W/A | ||
Side mode suppression ratio | SMSR | 45 | dB | ||
Modulation bandwidth | S21 | 10 | Ghz | ||
Thermistor | Rth | 10 | Kohm | ||
Dark current (PD) | Id | 3.8 | nA |
Spectrum

Power curve

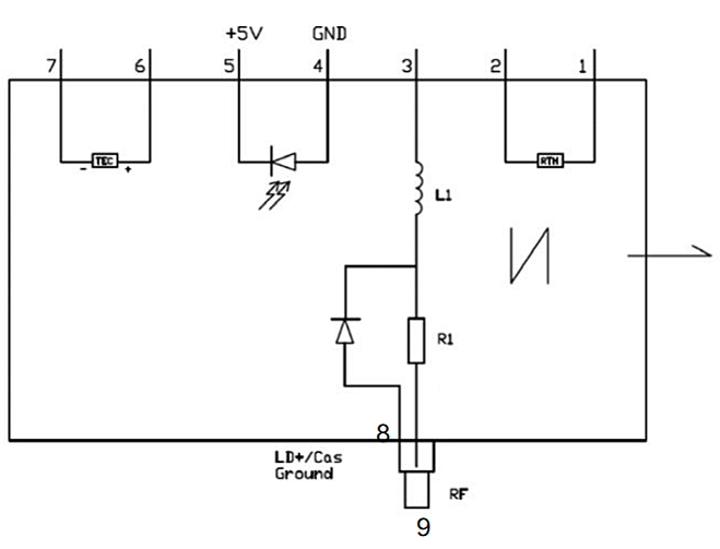
Pin definition

Lead# | Function |
1 | Thermistor |
2 | Thermistor |
3 | LD-(Bias) |
4 | PD anode |
5 | PD cathode |
6 | Cooler+ |
7 | Cooler- |
8 | LD+/GND |
9 | LD-(RF) |
Ordering information
Name:1550nmRF modulated DFB laser (10GHz K head)
PN#:LP-RF-DFB-1550-10-10-FA
RF:RF modulation
Operating wavelength:1550nm
Operating bandwidth:10GHz
Output power:10mw
Connector:FC/APC
--
⇪