- Cart
- |
- Personal Center
- |


1310nm RF modulated DFB laser 10GHz
Microwave distributed feedback (DFB) lasers provide exceptional performance for linear fiber communications in very wide bandwidth applications. The ML1001 linear fiber lasers are a good choice for transmitting 10MHz to 18GHz signals using coaxial cable systems. They greatly improve the reliability of microwave communication networks by transmitting RF signals in pristine format. Due to these superior characteristics, our laser products provide significantly improved high signal quality for a wide range of applications including antenna remote control, telemetry, timing and reference signal distribution, measurement and delay lines, etc.
Product features:High dynamic range、 10MHz to 18GHz bandwidth 、 Low threshold current、 High output power、 7-pin butterfly package with SMA connector、 Operating temperature: -40~85℃、 High reliability
Part Number:--
Application area:Remote antennas、 Cellular and PCS networks 、 Military communications、 Tracking, telemetry and control
Add to Cart Consult Favorite

Parameters
Photoelectric parameters (Tc=25°C)
Parameter | Symbol | Min. | Typical | Max. | Unit | Notes |
Optical output power | P | 6 | 8 | dBm | 1 | |
Threshold current | Ith | 10 | mA | - | ||
Operating current | Iop | 55 | 100 | mA | ||
Operating voltage | Vop | 1.5 | 2.5 | V | - | |
Peak wavelength | λ | - | 1310 | - | nm | |
Slope efficiency | SE | 0.2 | W/A | |||
Side mode suppression ratio | SMSR | 30 | dB | |||
Noise | RIN | -150 | -130 | dB/Hz | ||
Bandwidth (-3dB, I=60mA) | S21 | 18 | Ghz | |||
Return loss | S11 | -10 | -6 | dB | ||
Input 1dB compression | 18 | dBm | ||||
Thermistor | Rth | 10 | Kohm | @25C | ||
TEC current | It | 1.2 | A | 2 | ||
TEC voltage | Vt | 2.5 | V | 2 | ||
Capacitance (PD) | CPD | 20 | pF | |||
Monitor current | Im | 0.05 | 2.0 | mA | ||
Dark current (PD) | IPD | 50 | nA |
Notes:
1. Laser temperature set at 25°C, bias current at 55mA
2. Operating temperature -5~75°C
Absolute maximum parameters
Parameter | Symbol | Min. | Max. | Unit |
Laser diode forward current | If | 120 | mA | |
Laser diode reverse voltage | V | 1 | V | |
PD reverse voltage | Vr | 2 | mA | |
Operating temperature | To | -40 | +85 | ℃ |
Storage temperature | Ts | -40 | +85 | ℃ |
Storage relative humidity | RHstg | 85 | % |
Typical data

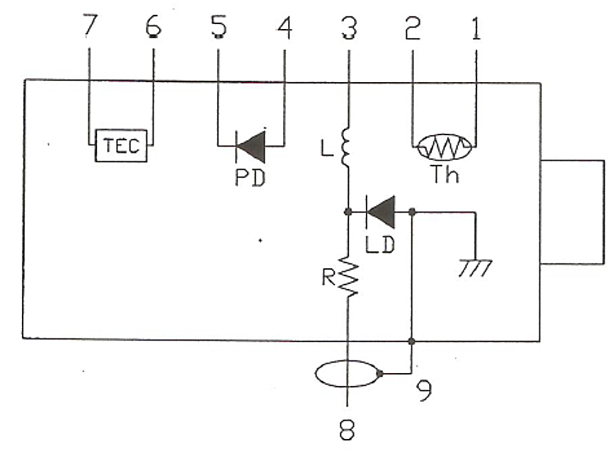
Package and pin definition

Lead# | Function |
1 | Thermistor |
2 | Thermistor |
3 | LD-(Bias) |
4 | PD anode |
5 | PD cathode |
6 | Cooler+ |
7 | Cooler- |
8 | LD-(RF) |
9 | LD+/GND |
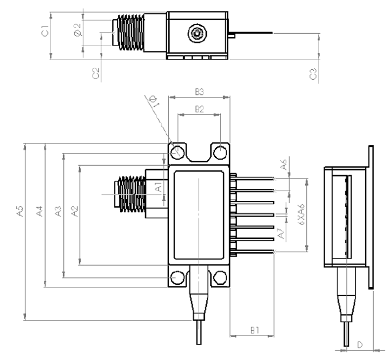
size | A1 | A2 | A3 | A4 | A5 | A6 | A7 | B1 |
Typical | 6 | 20.83 | 26 | 30 | 48 | 2.54 | 0.5 | 9 |
Size | B2 | B3 | C1 | C2 | C3 | D | Φ1 | Φ2 |
Typical | 8.89 | 12.7 | 10 | 5.6 | 5.46 | 5.46 | 2.7 | 5.4 |
Ordering information
PN#:ML1001A-DFB-31-FA
Operating wavelength:1310nm
bandwidth:A:10GB,B:15GB,C:18GB,D:20GB
Connector :FA:FC/APC
--
⇪